

Серия 630 (закрытые 2RS)
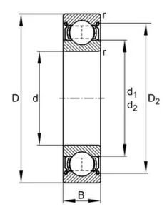
Радиальные шариковые подшипники широкой серии 630..-2RS закрыты контактными резинометаллическими уплотнениями (2RS) сторон. В подшипники заложена смазка на весь срок службы. Увеличенная посадочная площади широкой серии подшипников дает преимущество в долговечности использования в сравнении с подшипниками стандартной серии. Маркировка уплотнений разных производителей может отличаться: 2RS1, 2RSR, EE и др.
