. (2).jpg)
. (2).jpg)
.jpg)
.jpg)
 (2).jpg)
 (2).jpg)
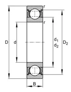
Серия 63 (открытые, закрытые 2RS и ZZ)
Подшипники данной серии могут быть как открытыми без смазки (можно смазывать пластичной смазкой или жидким маслом), а также закрытыми с заложенной в подшипник пластичной смазкой на весь срок службы. Металлические шайбы и резинометаллические уплотнения защищают подшипник от внешних загрязнений, а также от потери смазки. Если в месте, где работает подшипник много влаги или пыли, выбирайте подшипник с уплотнениями типа 2RS, они контактные и лучше, чем ZZ защищают от таких видов загрязнений. Если загрязнений немного, а скорости вращения вала высокие, лучше применять подшипники закрытые металлическими шайбами, они бесконтактные, что обеспечивают скорость вращения такую же, как у открытого подшипника. Разные производители по-разному обозначают закрытые подшипники. Самые популярные маркировки: ZZ, 2ZR, 2Z – бесконтактные металлические шайбы, 2RS, 2RS1, 2RSH, DDU, LLU, 2RSR, EE – контактные резинометаллические уплотнения.
