

Серия 622 (закрытые 2RS)
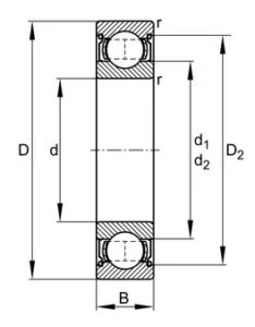
Данные подшипники являются радиальными. Они закрыты контактными резинометаллическими уплотнениями (2RS). Уплотнения отлично защищают подшипник от грязи, мелкой пыли, влаги и вытекания смазки, которая уже заложена в подшипник на весь срок службы. Благодаря увеличенной посадочной площади, подшипники широкой серии более долговечны в использовании в сравнении с подшипниками стандартной серии. Альтернативные маркировки уплотнений разных производителей: 2RS1, 2RSR, EE и др.
