. (1).jpg)
. (1).jpg)
.jpg)
.jpg)
 (1).jpg)
 (1).jpg)
Серия 62 (открытые, закрытые 2RS и ZZ)
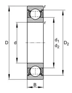
Подшипники данной серии выпускают открытыми без смазки, а также закрытыми с заложенной в подшипник смазкой на весь срок службы. Металлические шайбы и резинометаллические уплотнения защищают подшипник от внешних загрязнений, а также от потери смазки. Если в месте, где работает подшипник, много влаги или пыли, выбирайте подшипник с уплотнениями типа 2RS – они контактные и лучше, чем ZZ, защищают от таких видов загрязнений. Если загрязнений немного, а скорости вращения вала высокие, лучше применять подшипники, закрытые металлическими шайбами. Они бесконтактные, что обеспечивает скорость вращения такую же, как у открытого подшипника. Разные производители по-разному обозначают закрытые подшипники. Самые популярные маркировки: ZZ, 2ZR, 2Z – бесконтактные металлические шайбы, 2RS, 2RS1, 2RSH, DDU, LLU, 2RSR, EE – контактные резинометаллические уплотнения. Например: 6210ZZ = 6210-2ZR = 6210-2Z 6208-2RS = 6208-2RSH = 6208LLU = 6208DDU = 6208-2RSR = 6208EE Данные подшипники являются полными аналогами разных производителей. Сепараторы данных подшипников делают из стали, реже из полиамида. Крупногабаритные подшипники могут комплектоваться латунными сепараторами.
