. (2).jpg)
. (2).jpg)
.jpg)
.jpg)
 (2).jpg)
 (2).jpg)
Серия 618 / 68 (открытые, закрытые 2RS и ZZ)
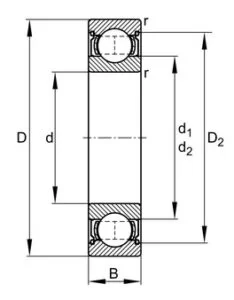
Подшипники узкой серии бывают открытыми без смазки и закрытыми, с заложенной в подшипник смазкой на весь срок службы. Закрытые подшипники бесконтактными металлическими шайбами и контактными резинометаллическими уплотнениями защищены от внешних загрязнений, а также от потери смазки. Если подшипник работает в месте, где много влаги или пыли, то лучше выбрать подшипник с контактными уплотнениями типа 2RS - они лучше, чем ZZ, защищают от таких видов загрязнений. При относительно чистых условиях работы и высоких скоростях вращения вала используются подшипники, закрытые бесконтактными металлическими шайбами, которые обеспечивают скорость вращения такую же, как у открытого подшипника. Разные производители по-разному обозначают закрытые подшипники. Самые популярные маркировки: ZZ, 2ZR, 2Z – металлические шайбы 2RS, 2RS1, 2RSH, DDU, DD, LLU, 2RSR, EE – резинометаллические уплотнения В Японии, Европе и Америке такой тип подшипников обозначается по-разному: 618 – обозначение европейских и американских производителей 68 – обозначение японских производителей
