..jpg)
..jpg)


.jpg)
.jpg)
Серия 60 (открытые, закрытые 2RS и ZZ)
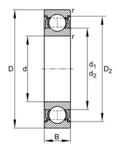
Подшипники данной серии выпускают открытыми без смазки, а также закрытыми с заложенной в подшипник смазкой на весь срок службы. Бесконтактные металлические шайбы и контактные резинометаллические уплотнения защищают подшипник от внешних загрязнений, а также от потери смазки. Если в месте, где работает подшипник, много влаги или пыли, выбирайте подшипник с уплотнениями типа 2RS – они контактные и лучше, чем ZZ, защищают от таких видов загрязнений. Если загрязнений немного, а скорости вращения вала высокие, лучше применять подшипники, закрытые металлическими шайбами. Они бесконтактные, что обеспечивает скорость вращения такую же, как у открытого подшипника. Разные производители по-разному обозначают закрытые подшипники. Самые популярные маркировки: ZZ, 2ZR, 2Z – металлические шайбы, 2RS, 2RS1, 2RSH, DDU, LLU, 2RSR, EE – резинометаллические уплотнения. Например: 6003ZZ = 6003-2ZR = 6003-2Z 6005-2RS = 6005-2RSH = 6005LLU = 6005DDU = 6005-2RSR = 6005EE = 6005-2RS1 Данные подшипники являются полными аналогами разных производителей. Сепараторы данных подшипников делают из стали, реже из полиамида. Крупногабаритные подшипники могут комплектоваться латунными сепараторами.
