

Серия 160 (открытые, закрытые 2RS и ZZ)
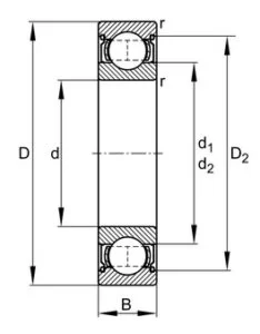
Подшипники узкой серии бывают открытыми без смазки и закрытыми, с заложенной в подшипник смазкой на весь срок службы. Закрытые подшипники бесконтактными металлическими шайбами и контактными резинометаллические уплотнениями защищены от внешних загрязнений, а также от потери смазки. Если подшипник работает в месте, где много влаги или пыли, то лучше выбрать подшипник с контактными уплотнениями типа 2RS, они лучше, чем ZZ защищают от таких видов загрязнений. При относительно чистых условиях работы и высоких скоростях вращения вала, используются подшипники закрытые бесконтактными металлическими шайбами, которые обеспечивают скорость вращения такую же, как у открытого подшипника. Разные производители по-разному обозначают закрытые подшипники. Самые популярные маркировки: ZZ, 2Z – металлические шайбы, 2RS, 2RS1 – резинометаллические уплотнения. Сепараторы данных подшипников делают из стали, реже из полиамида, крупногабаритные подшипники могут комплектоваться латунными сепараторами.
