.jpg)
.jpg)


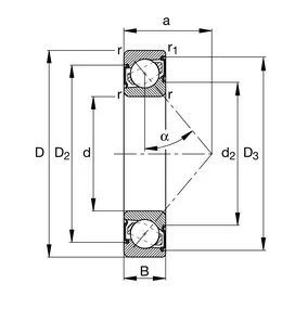
Подшипники серии 70..
Однорядный радиально-упорный шарикоподшипник может воспринимать осевую нагрузку, действующую только в одном направлении. Радиальная нагрузка создает осевую силу, действующую на подшипник в другом направлении. Поэтому радиально-упорный подшипник устанавливается в паре с другим подшипником. Наиболее распространены подшипники с углом контакта α в 40°. Также изготавливаются подшипники с углом контакта 15°, 18°, 25°, 30 и другими углами контакта. Чем больше угол контакта, тем больше способность радиально-упорного подшипника воспринимать осевую нагрузку. Благодаря значительному углу контакта, радиально-упорные однорядные шарикоподшипники выдерживают более высокие осевые нагрузки, действующие в одном направлении, чем радиальные шарикоподшипники.
