

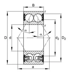
Подшипники серии 38.. (2Z, 2RS)
Двухрядный радиально-упорный шариковый подшипник сходен по конструкции c двумя однорядными радиально-упорными шарикоподшипниками, но меньше по ширине. Он способен воспринимать высокие радиальные и осевые двухсторонние нагрузки. Такие подшипники изготавливаются в открытом или закрытом исполнении (с защитными шайбами или контактными уплотнениями с двух сторон). Закрытые подшипники не требуют смазывания.
